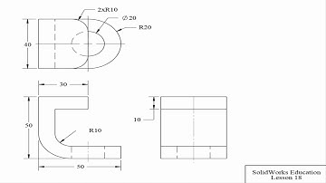
SolidWorks Tutorial for beginners Exercise 18

Tonton & Download Video Musik Gratis

⬇ DOWNLOAD NOW
Jika muncul iklan pop-up, tutup lalu klik tombol kembali

Download lagu SolidWorks Tutorial for beginners Exercise 18 secara gratis hanya untuk keperluan promosi. Dukung artis favorit kamu dengan membeli musik original di iTunes atau platform resmi lainnya.