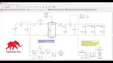
Grid Connected PV with MPPT Control Testing with Typhoon HIL

Tonton & Download Video Musik Gratis

⬇ DOWNLOAD NOW
Jika muncul iklan pop-up, tutup lalu klik tombol kembali

Download lagu Grid Connected PV with MPPT Control Testing with Typhoon HIL secara gratis hanya untuk keperluan promosi. Dukung artis favorit kamu dengan membeli musik original di iTunes atau platform resmi lainnya.