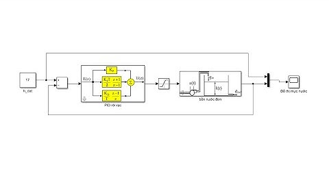
Thiết kế bộ điều khiển PID cho bồn nước đơn sử dụng Matlab nhúng cho Arduino UNO

Tonton & Download Video Musik Gratis

⬇ DOWNLOAD NOW
Jika muncul iklan pop-up, tutup lalu klik tombol kembali

Download lagu Thiết kế bộ điều khiển PID cho bồn nước đơn sử dụng Matlab nhúng cho Arduino UNO secara gratis hanya untuk keperluan promosi. Dukung artis favorit kamu dengan membeli musik original di iTunes atau platform resmi lainnya.