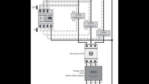
Tech Tip - How to Setup Zero Export with the SMA Sunny Home Manager

Tonton & Download Video Musik Gratis

⬇ DOWNLOAD NOW
Jika muncul iklan pop-up, tutup lalu klik tombol kembali

Download lagu Tech Tip - How to Setup Zero Export with the SMA Sunny Home Manager secara gratis hanya untuk keperluan promosi. Dukung artis favorit kamu dengan membeli musik original di iTunes atau platform resmi lainnya.