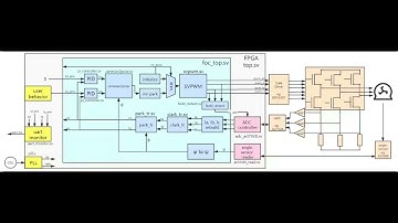
FPGA based Switching Circuits for low level Impedance Measurements using MIMO system

Tonton & Download Video Musik Gratis

⬇ DOWNLOAD NOW
Jika muncul iklan pop-up, tutup lalu klik tombol kembali

Download lagu FPGA based Switching Circuits for low level Impedance Measurements using MIMO system secara gratis hanya untuk keperluan promosi. Dukung artis favorit kamu dengan membeli musik original di iTunes atau platform resmi lainnya.