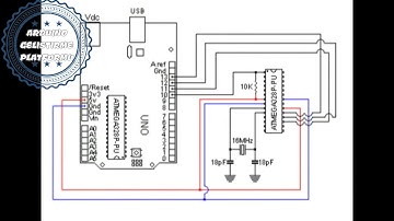
Arduino as ISP & Bootloader Yükleme (Anında Çalışan ARDUİNO) #7

Tonton & Download Video Musik Gratis

⬇ DOWNLOAD NOW
Jika muncul iklan pop-up, tutup lalu klik tombol kembali

Download lagu Arduino as ISP & Bootloader Yükleme (Anında Çalışan ARDUİNO) #7 secara gratis hanya untuk keperluan promosi. Dukung artis favorit kamu dengan membeli musik original di iTunes atau platform resmi lainnya.