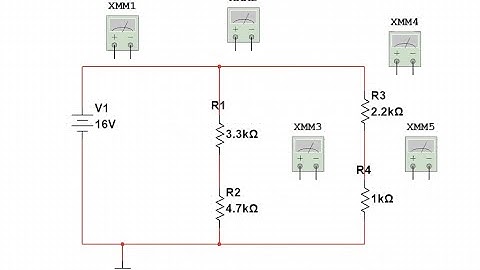
How to Measure Current in Series-Parallel Circuit Using Multisim? #multisim #measurecurrent

Tonton & Download Video Musik Gratis

⬇ DOWNLOAD NOW
Jika muncul iklan pop-up, tutup lalu klik tombol kembali

Download lagu How to Measure Current in Series-Parallel Circuit Using Multisim? #multisim #measurecurrent secara gratis hanya untuk keperluan promosi. Dukung artis favorit kamu dengan membeli musik original di iTunes atau platform resmi lainnya.