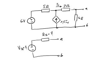
Practice Problem 4.9 Find the Thevenin equivalent circuit of the circuit in Fig. 4.34 to the left of

Tonton & Download Video Musik Gratis

⬇ DOWNLOAD NOW
Jika muncul iklan pop-up, tutup lalu klik tombol kembali

Download lagu Practice Problem 4.9 Find the Thevenin equivalent circuit of the circuit in Fig. 4.34 to the left of secara gratis hanya untuk keperluan promosi. Dukung artis favorit kamu dengan membeli musik original di iTunes atau platform resmi lainnya.