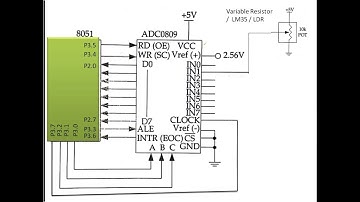
SJEC Lectures: MICROCONTROLLER-Interfacing ADC to 8051

Tonton & Download Video Musik Gratis

⬇ DOWNLOAD NOW
Jika muncul iklan pop-up, tutup lalu klik tombol kembali

Download lagu SJEC Lectures: MICROCONTROLLER-Interfacing ADC to 8051 secara gratis hanya untuk keperluan promosi. Dukung artis favorit kamu dengan membeli musik original di iTunes atau platform resmi lainnya.