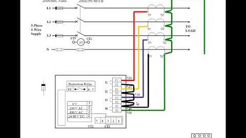
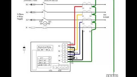
EPE_EE3008PA_Practical Assignment 4 Earth Fault & Overcurrent Part 3 PPT Drawing

Tonton & Download Video Musik Gratis

⬇ DOWNLOAD NOW
Jika muncul iklan pop-up, tutup lalu klik tombol kembali

Download lagu EPE_EE3008PA_Practical Assignment 4 Earth Fault & Overcurrent Part 3 PPT Drawing secara gratis hanya untuk keperluan promosi. Dukung artis favorit kamu dengan membeli musik original di iTunes atau platform resmi lainnya.